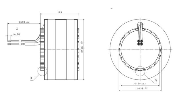
Inductor round 200 mm HS 10018
Inductor for heating rollers
The round inductor heats rollers with an internal diameter of 200 mm. Several inductors can be mounted on a carrier tube. The modular approach allows different roller widths to be heated. In addition, it enables individual heating of individual roller areas, which enables particularly homogeneous surface temperatures. Due to the high efficiency of the induction systems of approx. 98% of the electrical energy is converted into heat very efficiently.
The power density of 88 kW/m² enables fast heating and precise regulation of the temperature up to approx. 240°C.
- High efficiency of approx. 98%
- Direct heating of the roller
- Modular design
- Cost-optimized
- Power Control 1 – 100%
- Constant temperature profile
- Maintenance-free
Technical details
| Description | Value |
|---|---|
| Inner diameter roller | 200 mm |
| Heated Section | approx. 115 mm circumferential |
| Rated power | 2 x 3,2 kW |
| Temperature range | 0 ... 240°C (max. 300°C HT-Version) |
| Power density | 88 kW/m² |
| Heating circuits | 2 |
| Inductor current | 13,0 A |
| Inductor voltage | 670 Vrms |
| Efficency | approx. 98 % |
| Duty cycle | 100 % duty cycle |
| Electrical control | For connection to Kendrion induction generators |
| Electrical connection | stranded wires |
| Dimensions (W x H x D) | Details sind der Zeichnung zu entnehmen |
| Product status | Standard Product |
| Certifications / Standards | 61010 / CE |
