Induktor rund 200 mm HS 10018
Induktor für das Beheizen von Heißwalzen
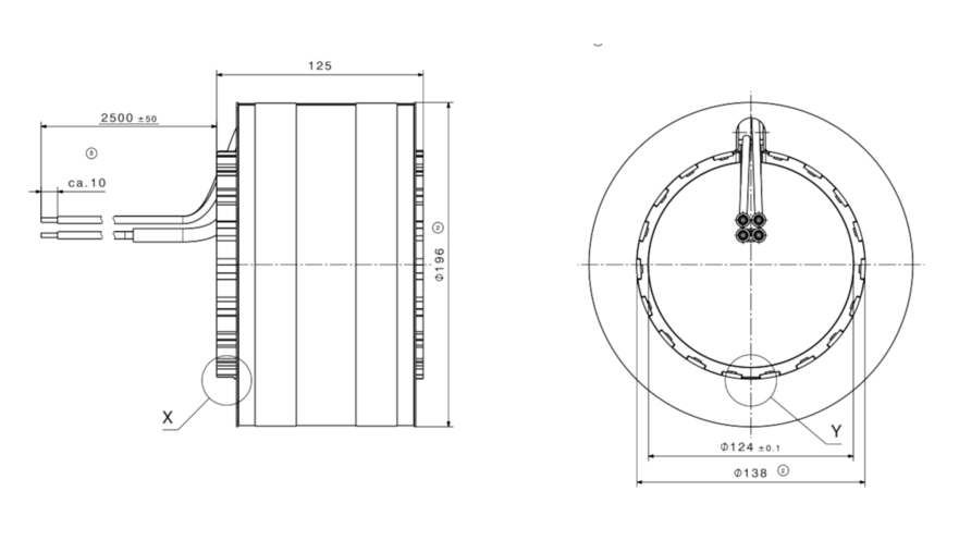
Der runde Induktor heizt Walzen mit einem Innendurchmesser von 200 mm. Es können mehrere Induktoren auf einem Trägerrohr montiert werden.
Durch den modularen Ansatz können unterschiedliche Walzenbreiten beheizt werden. Außerdem ermöglicht es die individuelle Beheizung einzelner Walzenbereiche, wodurch besonders homogene Oberflächentemperaturen möglich sind.
Durch den hohen Wirkungsgrad der Induktionssysteme von ca. 98% wird die elektrische Energie sehr effizient in Wärme umgewandelt.
Die Leistungsdichte von 88 kW/m² ermöglicht schnelles Aufheizen und präzises Regeln der Temperatur bis ca. 240°C.
- Hoher Wirkungsgrad von ca. 98%
- Direkte Beheizung der Walze
- Modularer Aufbau
- Kostenoptimiert
- Leistungsteuerung 1 – 100%
- Konstantes Temperaturprofil
- Wartungsfrei
Technische Details
| Beschreibung | Wert |
|---|---|
| Innendurchmesser Walze | 200 mm |
| Beheizte Strecke | ca. 115 mm umlaufend |
| Nennleistung | 2 x 3,2 kW |
| Temperaturbereich | 0 ... 240°C, (max.300°C HT Version) |
| Leistungsdichte | 88 kW/m² |
| Heizkreise | 2 |
| Induktor Strom | 13,0 A |
| Induktor Spannung | 670 Vrms |
| Wirkungsgrad | ca. 98 % |
| Einschaltdauer | 100 % ED |
| Elektrische Ansteuerung | Zum Anschluss an Kendrion Induktionsgeneratoren |
| Elektrischer Anschluss | Litze |
| Abmessungen (B x H x T) | Details sind der Zeichnung zu entnehmen |
| Produktstatus | Standard Produkt |
| Zertifizierungen / Normen | Niederspannungsrichtlinie |
