FLACH 158 HS10016
Inductor for inductive heating of surfaces

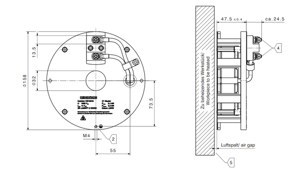
The Flat inductor HS10016 is designed for heating flat workpieces. A modular design with several inductors makes it possible to heat an individual surface and adapt the heat input of each individual inductor to the requirements. This allows a particularly homogeneous surface temperature to be achieved. Due to the high efficiency of the induction systems of approx. 98% of the electrical energy is converted into heat very efficiently.
The almost unrivalled power density of up to 163 kW/m² enables fast heating and precise temperature control up to approx. 250°C.
- High efficiency of approx. 98
- Direct heating of the metallic surface
- Cost-optimized
- Power control 1 - 100%
- Constant temperature profile
- Maintenance-free
Technical details
Description | Value |
---|---|
Dimensions (W x H x D) | 158 mm x 158 mm x 72 mm |
Heated Section | approx. 190 cm² |
Rated power | 3,4 kW |
Temperature range | 0 ... 240°C |
Area output | up to 163 kW/m² |
Inductor current | 14 A |
Inductor voltage | < 1000 Veff |
Efficency | approx. 98 % |
Duty cycle | 100 % duty cycle |
Electrical connection | Screw connection M5 (max. tightening torque 3.5 Nm) |
Electrical control | For connection to Kendrion induction generators |
Product status | Standard Produkt / in Vorbereitung |
Certifications | Low Voltage Directive |