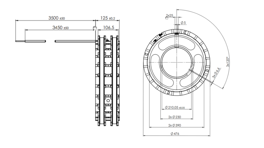
Induktor rund 480 mm HS/HT
Induktor für das Beheizen von Heißwalzen
Der runde Induktor heizt Walzen mit einem Innendurchmesser von 480 mm. Es können mehrere Induktoren auf einem Trägerrohr montiert werden.
Durch den modularen Ansatz können unterschiedliche Walzenbreiten beheizt werden. Außerdem ermöglicht es die individuelle Beheizung einzelner Walzenbereiche, wodurch besonders homogene Oberflächentemperaturen möglich sind.
Durch den hohen Wirkungsgrad der Induktionssysteme von ca. 98% wird die elektrische Energie sehr effizient in Wärme umgewandelt.
Die Leistungsdichte von 37 kW/m² ermöglicht schnelles Aufheizen und präzises Regeln der Temperatur bis ca. 250°C, in der Variante HT sogar bis 300°C.
- Hoher Wirkungsgrad von ca. 98%
- Direkte Beheizung der Walze
- Modularer Aufbau
- Kostenoptimiert
- Leistungsteuerung 1 – 100%
- Konstantes Temperaturprofil
- Wartungsfrei
Technische Details
| Beschreibung | Wert |
|---|---|
| Innendurchmesser Walze | 480 mm |
| Beheizte Strecke | ca. 106 mm umlaufend |
| Nennleistung | 6 kW |
| Temperaturbereich | 0 ... 240°C, in der HT Version bis zu 300°C |
| Leistungsdichte | 37 kW/m² |
| Heizkreise | 1 |
| Induktor Strom | 24 Aeff |
| Induktor Spannung | 1000 Veff |
| Wirkungsgrad | ca. 98 % |
| Einschaltdauer | 100 % ED |
| Elektrische Ansteuerung | Zum Anschluss an Kendrion Induktionsgeneratoren |
| Elektrischer Anschluss | Litze |
| Abmessungen (B x H x T) | Details sind der Zeichnung zu entnehmen |
| Produktstatus | Standard Produkt |
