Flächeninduktoren
Flächeninduktoren für kontaktlose Erwärmung

Flächeninduktoren von Kendrion
Flächeninduktoren von Kendrion bieten eine innovative Lösung für Anwendungen, bei denen eine präzise, effiziente und flächige Erwärmung erforderlich ist. Sie werden in vielfältigen Branchen eingesetzt, darunter die Lebensmittelerwärmung, Verpackungsmaschinen sowie Prägeprozesse in der Grafikindustrie. Dank des gleichmäßigen, flächigen Energieeintrags ermöglichen Flächeninduktoren eine signifikante Reduzierung der Materialdicke der beheizten Werkzeuge. Dies führt zu einer höheren Prozessdynamik und reduziert gleichzeitig den Energieverbrauch – ein entscheidender Vorteil für effiziente Produktionsabläufe.
Kendrion nutzt modernste numerische Feldberechnungsmethoden, um Flächeninduktoren exakt an die individuellen Anforderungen der Kunden anzupassen. Dies garantiert eine optimale Leistungsfähigkeit und einen zuverlässigen Betrieb, auch bei anspruchsvollen Anwendungen.
Mit einer Prozesstemperatur von bis zu 250 °C im Dauereinsatz und der Möglichkeit, ohne Wasserkühlung zu arbeiten, sind die Flächeninduktoren von Kendrion eine besonders robuste und wirtschaftliche Wahl für Ihre Fertigungsprozesse.
Entdecken Sie die Vorteile von Flächeninduktoren für Ihre Anwendungen – präzise, effizient und individuell anpassbar.
Titel
aufsteigend
absteigend
|
Typ
aufsteigend
absteigend
|
Abmessungen (B x H x T)
aufsteigend
absteigend
|
Beheizte Strecke
aufsteigend
absteigend
|
Nennleistung
aufsteigend
absteigend
|
Temperaturbereich
aufsteigend
absteigend
|
Flächenleistung
aufsteigend
absteigend
|
Induktor Strom
aufsteigend
absteigend
|
Induktor Spannung
aufsteigend
absteigend
|
Wirkungsgrad
aufsteigend
absteigend
|
Einschaltdauer
aufsteigend
absteigend
|
Elektrischer Anschluss
aufsteigend
absteigend
|
Elektrische Ansteuerung
aufsteigend
absteigend
|
Produktstatus
aufsteigend
absteigend
|
Zulassungen
aufsteigend
absteigend
|
Details | |
---|---|---|---|---|---|---|---|---|---|---|---|---|---|---|---|---|
![]() |
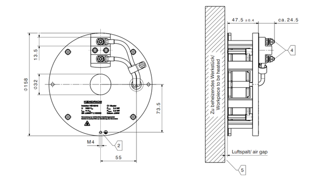
Induktor FLACH 158 HS10016
|
Induktor für induktive Beheizung von Flächen | 158 mm x 158 mm x 72 mm | ca. 190 cm² | 3, 4 kW | 0 ... 240°C | bis zu 163 kW/m² | 14 A | < 1000 Veff | approx. 98 % | 100 % duty cycle | Schraubanschluss M5 (max. Anzugsmoment 3, 5 Nm) | Zum Anschluss an Kendrion Induktionsgeneratoren | Standard product / in preparation | Low Voltage Directive | zum Produkt |
![]() |
Induktor FLACH 10009/1
|
Induktor für induktive Beheizung von Flächen | 720 mm x 152 mm x 156, 5 mm | ca. 432 cm² | 20 kW | 0 ... 200°C | bis zu 182 kW/m² | 14 A | 900 Veff | approx. 98 % | 100 % duty cycle | Schraubanschluss M6 (max. Anzugsmoment 3, 5 Nm) | Zum Anschluss an Kendrion Induktionsgeneratoren | Sonderausführung | Low Voltage Directive | zum Produkt |
![]() |
Induktor FLACH HS10003/2
|
Induktor für induktive Beheizung von Flächen | 600 mm x 100 mm x 156, 5 mm | ca. 432 cm² | 6, 5 kW | 0 ... 200°C | bis zu 150 kW/m² | 26, 8 A | < 1000 Veff | approx. 98 % | 100 % duty cycle | Schraubanschluss M5 (max. Anzugsmoment 3, 5 Nm) | Zum Anschluss an Kendrion Induktionsgeneratoren | Sonderausführung | Low Voltage Directive | zum Produkt |